欢迎访问浙江立泰过滤设备科技有限公司网站 !

专注水处理设备开发、制造、销售、服务

水处理行业值得信赖的企业
热门关键词: 袋式过滤器 双联过滤器 蒸气过滤器
过滤器系列
首页 > 产品中心 > 过滤器系列

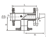
T型过滤器


产品名称:T型过滤器

产品类别:过滤器系列
产品详情

                 

T型过滤器

壳体材质

碳钢

不锈钢

滤芯材质

不锈钢

工作温度(℃)

-30~380

-80~450

连接形式

法兰连接、对焊连接、螺纹连接

公称压力(MPa)

0.6~5.0(150Lb~600Lb)

过滤精度(目/in)

10~300

DN

L

H

H1

有效过滤面积m2

50

278

166

306

0.0039

65

314

187

348

0.0053

80

342

205

384

0.0079

100

418

246

473

0.0133

125

460

270

529

0.0204

150

500

292

581

0.0273

200

588

340

694

0.0462

250

690

398

281

0.0699

300

792

452

949

0.1001

350

852

485

1023

0.1205

400

970

547

1166

0.1585

500

1148

642

1372

0.2438


扫一扫关注我们